Achetez vos pièces auto moins cher avec Hellopieces, le spécialiste de la pièce auto réunion toutes marques, tous types de véhicules.
AUDI
AUDI 100 (4A2, C4) Essence 2.0 100 CV (01/1990 - 01/1994)
Question sur le choix de pièce auto

Tambour de frein

Vente

Tambour de frein

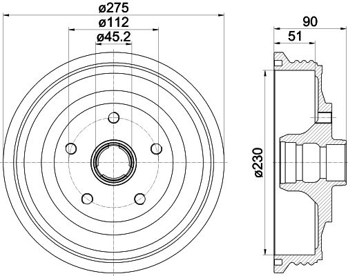
TEXTAR | Réf : 94012700
Diamètre de tambour : 230,0
Haut.int.tamb.fr. [mm] : 51
Diam. ext du tambour de frein [mm] : 275
Haut.tot.tamb.fr. [mm] : 90
Illustration alésage / nombre de trous : 05/05
Cotes max.de rectification de tambour de frein [mm] : 231
Poids [kg] : 7,8
Numéro d'information technique : 98100 0127 0 1
Article complémentaire / Info complémentaire 2 : sans roulement de roue
Article complémentaire / Info complémentaire 2 : sans moyeu de roue
Article complémentaire / Info complémentaire 2 : sans boulon de fix° de roue
106,30 € 106.3 EUR

Sur commande

* Prix public indicatif préconisé par l'équipementier